Sign In | Join Free | My benadorassociates.com
China Mega Source Elec.Limited logo
Mega Source Elec.Limited
MEGA SOURCE ELEC. CO., LIMITED Professional electronic distributor to provide One-stop Service
Active Member

13 Years

Home > Integrated Circuit Chip >

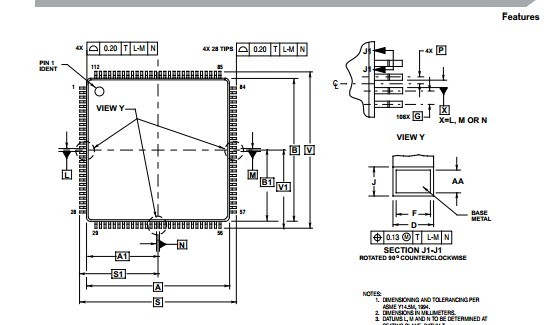
Integrated Circuit Chip microcontroller unit (MCU) MC9S12B128VPVE MOTOROLA QFP

Mega Source Elec.Limited
Contact Now

Integrated Circuit Chip microcontroller unit (MCU) MC9S12B128VPVE MOTOROLA QFP

Place of Origin : Malaysia

Brand Name : MOTOROLA

Certification : Standard Certification

Model Number : MC9S12B128VPVE

MOQ : 5 PCS

Price : Pls Contact sales team

Packaging Details : Standard Packaging

Delivery Time : 1 Day

Payment Terms : T/T , Paypal, Western Union Escrow etc.

Supply Ability : 2961

Contact Now

MC9S12B128VPVE is a microcontroller unit (MCU) .

Part NO:

MC9S12B128VPVE

Brand:

 MOTOROLA

Mounting Type:

Surface Mount

Date Code:

03+

Quality Warranty:

3 Months

Application:

COMPUTER

Over View

The Northbridge typically handles communications among the CPU, in some cases RAM, and PCI Express (or AGP) video cards, and the Sourthbridge. Some Northbridges also contain integrated video controllers, also known as a Graphics and Memory Controller Hub (GMCH) in Intel systems. Because different processors and RAM require different signaling, a given Northbridge will typically work with only one or two classes of CPUs and generally only one type of RAM.

There are a few chipsets that support two types of RAM (generally these are available when there is a shift to a new standard). For example, the Northbridge from the Nvidia nForce2 chipset will only work with Socket A processors combined with DDR SDRAM; the Intel i875 chipset will only work with systems using Pentium 4 processors or Celeron processors that have a clock speed greater than 1.3 GHz and utilize DDR SDRAM, and the Intel i915g chipset only works with the Intel Pentium 4 and the Celeron, but it can use DDR or DDR2 memory.

Why buy from us >>> Fast / Safely / Conveniently

  • Mega Source is a Stock keeper and trade company of Electronic components .Our branches office include China, Hong Kong, Singapore , Canada . Offer business, service, resourcing and information for our global member.
  • Goods are ensured the highest quality possible and are delivered to our customers all over the world with speed and precision.

How to buy >>>

  • Contact us by email & sent your inquire with your Transport destination .
  • Online chat, the commissioner would be responded ASAP.

Service >>>

  • Forwarder Shipment to world-wide, DHL,TNT ,UPS,FEDEX etc. buyers don’t need to worry about shipping problem
  • We will try to respond as quickly as possible. But due to time zone difference, please allow up to 24 hours to get your mail replied.
  • We are committed to providing fast, convenient and safe transportation service to global buyers.


Product Tags:

programmable ic chips

      

ic integrated circuits

      
Quality Integrated Circuit Chip microcontroller unit (MCU) MC9S12B128VPVE MOTOROLA QFP for sale

Integrated Circuit Chip microcontroller unit (MCU) MC9S12B128VPVE MOTOROLA QFP Images

Inquiry Cart 0
Send your message to this supplier
 
*From:
*To: Mega Source Elec.Limited
*Subject:
*Message:
Characters Remaining: (0/3000)