Sign In | Join Free | My benadorassociates.com
China Mega Source Elec.Limited logo
Mega Source Elec.Limited
MEGA SOURCE ELEC. CO., LIMITED Professional electronic distributor to provide One-stop Service
Active Member

13 Years

Home > Hard Disk >

Integrated Circuit Chip Advance Information - Rev 4.0XC68HC711KA4CFN4 MOTOROLA

Mega Source Elec.Limited
Contact Now

Integrated Circuit Chip Advance Information - Rev 4.0XC68HC711KA4CFN4 MOTOROLA

Integrated Circuit Chip Advance Information - Rev 4.0XC68HC711KA4CFN4 MOTOROLA

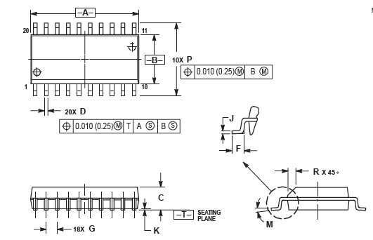
XC68HC705H12FN is a Advance Information - Rev 4.0 . Part NO: XC68HC705H12FN Brand:  MOTOROLA Mounting Type: Surface Mount Date Code:  96+ Quality Warranty: 3 Months Application: COMPUTER Over View ...

Product Tags:

notebook hard drive

      

laptop hard drive

      
Send your message to this supplier
 
*From:
*To: Mega Source Elec.Limited
*Subject:
*Message:
Characters Remaining: (0/3000)